¿qué es una grúa de dos vías, dónde y cómo se utiliza en la
En los sistemas de calefacción y refrigeración, a menudo se utiliza una válvula de dos vías, que es capaz de garantizar un ajuste rápido y preciso de los volúmenes de agua suministrada o extraída. El dispositivo es también uno de los elementos importantes en el circuito de ventilación. Hoy en día, se está tratando de usar una válvula de dos vías para el agua con una unidad eléctrica, que está controlada por varios sensores. Se distinguen por la facilidad de instalación, la operación confiable y la facilidad de mantenimiento.
Además, su tarea es asegurar los parámetros especificados de la unidad de enlace y otros sistemas donde están instalados. A continuación trataremos este dispositivo de bloqueo con más detalle.

Características del equipamiento.
La principal diferencia entre el dispositivo y otras válvulas es que está diseñado para pasar el agua solo en una dirección. En caso de instalación inversa, puede funcionar incorrectamente o simplemente fallar.
Consejo: recomendamos instalar un filtro delante de la válvula que pueda atrapar partículas sólidas para que no dañen la válvula.
Diferencias
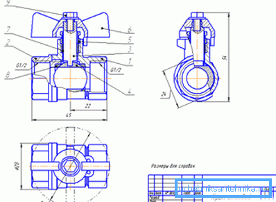
En términos generales, tiene similitudes constructivas con válvulas estándar y varias diferencias. Por ejemplo, el elemento de bloqueo del dispositivo puede ser una bola o una barra de un diseño especial.
En este caso, los ajustes se realizan con sus propias manos girando la bola que tiene el agujero 90? alrededor del eje o por el movimiento de la varilla en dirección vertical usando una palanca en la parte superior del cuerpo del dispositivo. Tal trabajo también puede ocurrir debido a actuadores eléctricos o neumáticos conectados a sensores de temperatura y presión.

Construcción
Dependiendo de las características y el propósito de la válvula de dos vías se puede hacer de diferentes materiales. Más a menudo esto sucede:
| Acero, hierro fundido | El dispositivo regulador se utiliza en sistemas con alto consumo de vapor o agua. | 
| Latón | El diseño tiene pequeñas dimensiones generales y se utiliza en sistemas de ventilación de locales y edificios pequeños. | 

La grúa también se puede hacer en una versión de asiento simple y doble. En este último caso, la instrucción permite, debido a las características del diseño, ajustarse hasta el flujo de cierre, en el que hay una gran caída de presión que impide el funcionamiento de las válvulas de asiento único.
Sugerencia: puede elegir una válvula de dos vías como una estructura separada, a la que necesita conectar un actuador separado, o en ella ya estará montada, con mayor frecuencia eléctrica.

El dispositivo puede equiparse con diferentes tipos de operación con accionamientos eléctricos, incluyendo:
- motores electricos de baja potencia;
- solenoides de tracción.
Una válvula de regulación de dos vías puede ser el elemento de control principal de un enfriador o calentador de aire, cambiando el flujo de refrigerante al intercambiador de calor. Este método de ajuste es el más simple, pero no está libre de defectos, por lo que es mejor usarlo en los casos más simples.

Conocimiento importante
Produce el dispositivo muchas empresas y empresas de todo el mundo. Cada uno intenta realizar sus propios ajustes relacionados con la modernización y la facilidad de uso de la grúa en la producción y en las condiciones de vida.
A continuación, aprenderá lo que necesita recordar y saber al elegir un dispositivo:
- Está diseñado para ajustar el flujo de aceite, vapor, agua fría y caliente en los sistemas de suministro de vapor y calor.
- Se controlan mediante accionamiento eléctrico, accionamientos neumáticos, termostatos y reguladores de presión diferencial.

Consejo: si usa una válvula sin un actuador, puede causar fugas a través del vástago.
- La grúa está regulando, por lo tanto, debe instalarse un filtro de malla en la parte delantera para evitar daños mecánicos. El precio de este último es pequeño, pero hace un trabajo tremendo. Esto mantendrá el equipo durante mucho tiempo sin daños.
- La válvula puede ser simple o doble. Debido a la separación del flujo, el último diseño del dispositivo permite que el actuador lo cierre con una fuerte caída de presión, lo que no se puede hacer con una válvula de asiento único. La desventaja es una mayor fuga con una válvula completamente cerrada.

- El material del cuerpo de la grúa le confiere ciertas características. Por lo general, se usa acero, hierro fundido y latón (este último se encuentra con mayor frecuencia en la venta). La presión máxima para la cual está diseñada la válvula:
- Latón - hasta 16 atm.
- hierro fundido - hasta 25 atm .;
- Acero - hasta 40 atm.
Se puede usar una válvula de dos vías de acero a la temperatura y presión más altas. El latón es el menos resistente a estos parámetros.

Consejo: cuando la temperatura del ambiente de trabajo sea superior a 150 ° C o la presión de vapor sea superior a 4 atm, es necesario instalar elementos de refrigeración. Ayudarán a preservar la grúa y el equipo en sí, y también serán un factor adicional de seguridad y preservación de la vida y la salud de las personas.
Conclusión
Si necesita regular el flujo de agua en el sistema de calefacción o enfriamiento, una válvula de dos vías lo ayudará. Está hecho de diferentes materiales, incluyendo acero y latón, mientras que en el primer caso es el más resistente a la presión y la temperatura, en el segundo, el menos resistente. (Ver también el artículo Filtro para sistemas de calefacción: características.)
La instalación del dispositivo solo es posible con un filtro de malla que atrapa la suciedad acumulada en el sistema de suministro de agua, calefacción o ventilación. El video en este artículo brindará la oportunidad de encontrar información adicional sobre el tema anterior.