Gallo de corcho: dispositivo, aplicación, problemas.
¿Cómo hace una grúa de cono (corcho)? ¿Dónde se utilizan estos productos? ¿Para qué, por ejemplo, se utiliza la grúa de corcho 11B6BK DU50? ¿Qué tan buenos son estos elementos de las válvulas en los sistemas de calefacción y suministro de agua en el contexto de alternativas? Tratemos de responder estas preguntas.

Que es
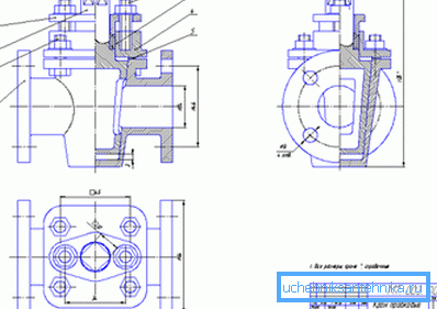
Diagrama esquemático y materiales utilizados.
Este es el nombre de un dispositivo de bloqueo o regulación, cuyo elemento principal es un corcho: tiene la forma de un cono lleno o truncado con un canal pasante y entra en contacto con el cuerpo con todas las superficies laterales. La ausencia de espacio entre el tapón y las paredes de la carcasa garantiza la impermeabilidad al agua, el aire, el gas u otro medio transportado por la tubería.
El dispositivo de la grúa de corcho implica un área considerable de fricción y, como resultado, una fuerza considerable requerida para el giro. Obviamente, con un gran diámetro de tubo, será inaceptablemente grande; No solo eso: las superficies adherentes aumentarán aún más la resistencia.
Es por eso que los materiales resistentes a la corrosión con un bajo coeficiente de fricción (hierro fundido y latón) se utilizan tradicionalmente para la fabricación de grúas de corcho.
Tenga en cuenta: debido a las características de diseño y la baja resistencia mecánica de los metales utilizados, el diámetro de las grúas de corcho rara vez supera los 100 mm y la presión de trabajo es de 16 atmósferas.

No hay reglas sin excepciones: si lo desea, una válvula de corcho con un diámetro de hasta 200 milímetros se puede encontrar a la venta en una caja de acero.
Sin embargo, esas válvulas que se pueden encontrar en el sótano, tiene poco que hacer:
- Para facilitar la rotación del tubo se utiliza la caja de cambios con un volante.
- El corcho todavía está hecho de hierro fundido: si dos elementos de acero están unidos entre sí, incluso la caja de cambios no ayudará a romperlos.
Caja de sellado
A medida que la válvula bloquea el movimiento de agua o gas en la tubería, es fácil de entender. ¿Y cómo se asegura la ausencia de fugas en el entorno externo?
La tensión
El tapón pasa a través del cuerpo de la válvula a través. Su vástago roscado al apretar la tuerca atornillada presiona la tapa al cuerpo con una fuerza considerable. La ausencia de un hueco garantiza la ausencia de fugas a través de la válvula a través de la tubería y hacia el entorno externo.

Curiosamente: cuando la válvula está funcionando, la calidad de las superficies de pulido mejora con el tiempo.
Primavera
La válvula de cono de corcho de gas, que se puede ver en la estufa de gas en la mayoría de los apartamentos rusos, está dispuesta de manera algo diferente: el corcho se presiona contra el cuerpo con un resorte, no con una tuerca. Una pequeña fuerza de sujeción, junto con la lubricación, proporciona un esfuerzo moderado para girar el tapón; sin embargo, la presión máxima de trabajo de la estructura es más que pequeña.

Glándula
Finalmente, se usó una válvula de corcho y glándula a gran escala para calefacción y suministro de agua: la empaquetadura de la glándula alrededor del vástago aseguró que no hubiera fugas. Como regla general, se utilizó glándula de grafito trenzado.
La forma en que se sujetó el empaque generalmente dependía del material de la válvula:
- Los productos de latón utilizan tuerca de crimpado.
- Una grúa de hierro fundido a menudo usaba un par de pernos para presionar la glándula contra las orejetas de la carcasa para enroscar la glándula.

Maneras de conectar el cuerpo con la tubería.
En realidad solo hay dos de ellos:
- Brida. Las bridas adyacentes se atraen entre sí por cuatro a ocho tornillos; la estanqueidad está garantizada por una junta de goma o paronit.
- Roscado, o acoplamiento. Lino sanitario y materiales de sellado artificial se utilizan para el sellado.
Dependiendo del diámetro nominal de la tubería de conexión, se indica el control remoto (paso condicional) de la válvula. La documentación nacional utiliza el sistema métrico; El control remoto corresponde aproximadamente al diámetro interno de la tubería en milímetros. Las mercancías importadas se marcan más a menudo en pulgadas:
| Hacer | Tamaño en pulgadas | 
| 15 | 1/2 | 
| 20 | 3/4 | 
| 25 | 1 | 
| 32 | 1 1/4 | 
| 40 | 1 1/2 | 
| 50 | 2 | 
Solicitud
Vamos a dar algunos ejemplos de uso de grúas de corcho en sus diferentes ejecuciones.
- El ejemplo más obvio es el toque samovar. El corcho en él se sostiene en el cuerpo de la grúa solo por su propio peso.

- Los mezcladores de estilo soviético con un interruptor de palanca no eran muy cómodos de usar y con frecuencia fluían; pero eran prácticamente infalibles. Romper una palanca o un corcho no era una tarea trivial.
- Se utilizaron válvulas de tapón de tres vías para ajustar la temperatura en los apartamentos: dependiendo de la posición, permitieron el flujo de refrigerante a través de la batería, a través de un puente o la bloquearon por completo.
Por cierto: la última función de la grúa fue la causa del feroz odio de los mecánicos que atienden las urbanizaciones construidas por Khrushchev. No fue posible averiguar de inmediato cuál de los inquilinos en el elevador bloqueó el grifo.
- Ya hemos mencionado las grúas de gas del tipo soviético. La válvula de corcho contra el fondo del tornillo entonces ampliamente extendida realmente parecía mucho más confiable y garantizada sin fugas.
- Finalmente, junto con la válvula de tornillo, la caja de relleno de corcho fue el elemento más común de las válvulas de los sistemas de calefacción y suministro de agua en los años 60 y 80 del siglo pasado. Fue allí, en particular, que se usó masivamente la válvula 11B6BK DU50 mencionada al principio de nuestro material: se montó en el inserto de suministro de agua caliente y calefacción en los nodos del ascensor.

Fortalezas y debilidades
¿Cómo se ven los grifos de corcho en comparación con las alternativas de plomería?
Vamos a empezar con elogios en su dirección.
Pros
- A diferencia de las válvulas de tornillo, no necesitan estar orientadas de cierta manera en la dirección del flujo de agua. La válvula de abertura no amenaza simplemente debido a la falta de ella.
- Un canal recto y ancho en un atasco crea una resistencia hidráulica bastante moderada, de nuevo, a diferencia de los pasajes de bobinado en una válvula de tornillo.
- Por la misma razón, las válvulas de corcho nunca están obstruidas con escamas, arena y óxido. La basura simplemente no tiene donde quedarse.
- De las válvulas de bola modernas, el corcho difiere favorablemente más resistencia a altas temperaturas.
Por cierto: 150 C, máximo para una válvula de bola, es el límite de la temperatura en la línea de calefacción en el pico del frío del invierno. Se pueden obtener valores más altos solo en los sistemas de calefacción por vapor, que actualmente se usan solo en unas pocas empresas industriales.

Contras
La experiencia del autor con válvulas de corcho en sistemas de calefacción y suministro de agua hace posible formular las siguientes quejas principales sobre ellos:
- Y válvulas de fundición y latón con larga ebullición. Convertirlos después de cinco años de inactividad requiere un esfuerzo que es bastante capaz de desgarrar el hilo en el sgon.
- Después del notorio período de inactividad, el menor giro de la válvula provoca una fuga de agua a través de la glándula. Sí, este es un problema, común a todos los productos con caja de empaque; sin embargo, en el caso de una válvula de tornillo, se resuelve por su apertura total. Aquí tienes que rellenar la glándula de nuevo.
- Por cierto, sobre la glándula: solo puede rellenarse bloqueando y dejando caer el agua. ¿Cuál es la razón de la instrucción? Si abre la válvula bajo presión, es probable que el tapón alterado vuele hacia su cara en la parte frontal del flujo de agua. En el mejor, frío, en el peor, abrasador.

A modo de comparación: la válvula con las mejillas molidas para empacar con sus propias manos solo lo suficiente para bloquear.
- La válvula de apertura (tensión) debe aflojarse antes de abrir o cerrar, lo que se acompaña de una fuga de agua. Especialmente al tocar cuando estás bajo la válvula. Si no afloja la tuerca tensora, existe una posibilidad real de rasgar el hilo del corcho.
- La varilla para girar debe tomarse con una llave ajustable, de bocina o (a menudo) de gas. Como resultado, las grúas de uso frecuente son fácilmente reconocibles por su redondeada, si no está prácticamente ausente, sobre el stock de varillas.
- Por todo eso, el precio de la válvula de corcho no es más bajo, y con frecuencia más alto que la contraparte de bola del mismo tamaño.
Conclusión
Los resultados son bastante decepcionantes. El diseño obsoleto ya ha perdido la batalla por el mercado de las comunicaciones de plomería y solo se puede utilizar en tuberías industriales altamente especializadas.
En los hogares donde hay una válvula de corcho de tres vías debajo del radiador, solo podemos recomendar reemplazar las líneas de suministro lo antes posible.

Como siempre, en el video de este artículo, el lector podrá encontrar información temática adicional. ¡Éxitos!